circuit-using-latex

Lesson 3: Voltage Sources, Grounds, and Nodes

1. Voltage Sources

To power our circuits, we use voltage sources.

Component Code Description
DC Source to[V, l=5V] Generic circle with +/-
Battery to[battery, l=9V] Standard battery symbol
Battery (Alt) to[battery1] Alternative style

Example:

\draw (0,0) to[V, l=9V] (0,3);

2. Grounding

Ground is a specific node shape in Circuitikz. It is typically attached to the end of a wire or a specific coordinate.

Syntax:

\draw (x,y) node[ground]{};

3. Connection Nodes

To show that wires are electrically connected (and not just crossing), we use filled circles (nodes).

You can add specific line-ending styles to component options.

Method B: The Explicit Node

Place a node manually at a coordinate.

\draw (2,2) node[circ]{};  % Solid black dot
\draw (2,2) node[ocirc]{}; % Open white circle

Example:

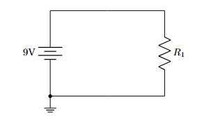
\documentclass{article}
\usepackage{circuitikz}

\begin{document}

\begin{center}
\begin{circuitikz}

    % Voltage source
    \draw (0,0) to[battery, l=9V] (0,3);

    % Top wire
    \draw (0,3) to[short] (4,3);

    % Resistor
    \draw (4,3) to[R, l=$R_1$] (4,0);

    % Node at (0,0)
    \draw (0,0) node[circ]{}; 

    % ground
    \draw (4,0) to[short] (0,0) node[ground]{};

\end{circuitikz}
\end{center}

\end{document}

Output:

Single Resistor Circuit

To Flip the Battery:

\draw (0,0) to[battery, invert, l=9V] (0,3);

Output:

Single Resistor Circuit